New
FH9600 ADRV9025A 200MH RF-ADC FMC HPC Card
Customization & Cooperation
For Projects Cooperation, Customizations and Batch prices, Please contact us by E-mail: sales@industrypc.com Whats APP: +86 17774048354
- Stock: In Stock
- Model: FH9600
- Weight: 3.00kg
- Dimensions: 10.00cm x 10.00cm x 10.00cm
190 samples sold
$3,714.00
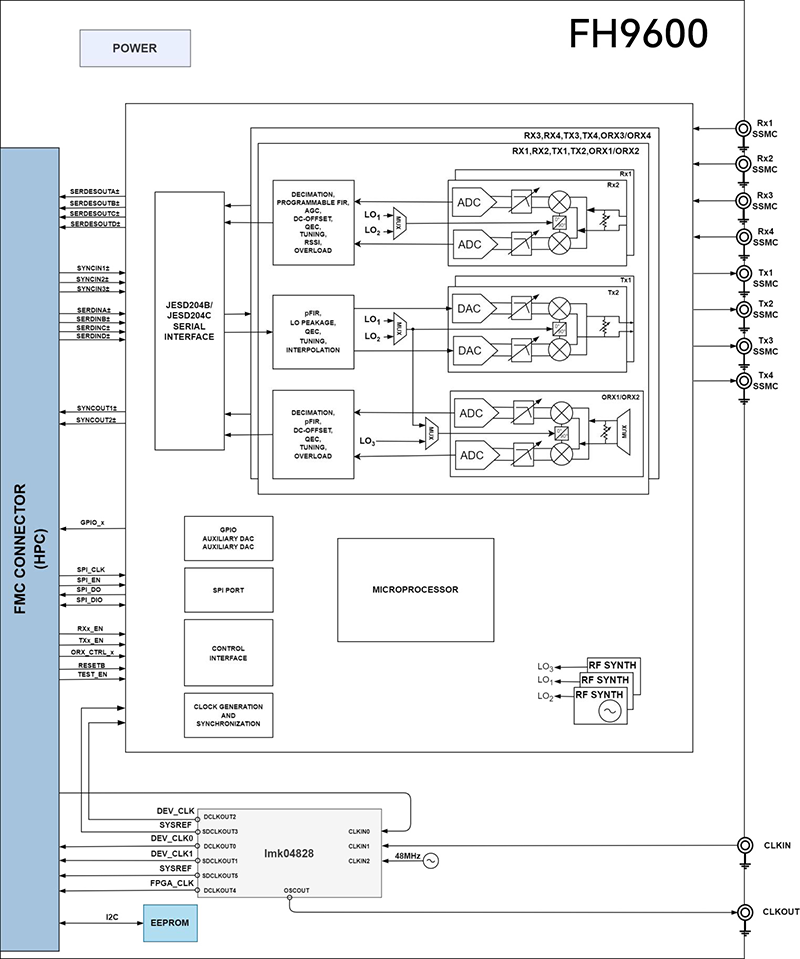
The FH9600 is a high-performance, radio frequency FMC card based on the ADRV9025A transceiver, covering 75 MHz to 6 GHz with 4Tx/4Rx channels, offering up to 450 MHz TX and 200 MHz RX bandwidth for applications in 5G, MIMO, radar, and communications.
Main Features
● ADRV9025A
● 4 Transmitters
● 4 Receivers
● 2 Observers (each with 2 inputs)
● Observation Rx (ORx) Channels: 2 (each with 2 inputs, for monitoring/calibration)
● Center Frequency: 75MHz ~ 6GHz
● Supports TDD and FDD modes
● RF impedance matching: 50Ω
● Maximum RX bandwidth: 200MHz
● Maximum TX bandwidth: 200MHz
● Maximum TX synthesis bandwidth: 450MHz
● Maximum ORX observation channel bandwidth: 450MHz
● Supports internal or external reference clock
● Supports external local oscillator (LO1, LO2) input
● JESD204B/JESD204C digital interfaceCharacteristics
● Voltage: 3.3V& 12V
● Duplexing Model: TDD&FDD
● Power Consumptions: <9WTransmitter Performance - Tx
● 75MHz ~ 6GHz Frequency
● SSMC Interface
● Output Power: 5 dBm (@1.5GHz, CW)
● EVM: 0.56% (Typical for 5G NR @100MHz bandwidth)
● Gain Control Range: 32 dB
● Gain Step: 0.05 dB
● ACLR: <-64dB
● LO Suppression: -69dBm@2.5GHz
● Max DAC Sample Rate: 491.52 MS/sReceiver Performance - Rx
● 75MHz ~ 6GHz Frequency
● SSMC Interface
● Sensitivity: -90 dBm (@20MHz bandwidth)
● Noise Figure: < 11.9 dB (@2.6GHz)
● EVM: < 2%
● Gain Control Range: 30 dB
● Rx Alias Band Rejection: 80dB (Due to digital filters)
● Noise Figure: 11.9dB@2.6GHz
● ADC Wideband SFDR: 60dBc
● Max ADC Sample Rate: 245.76 MS/s
